Overview
Product Details
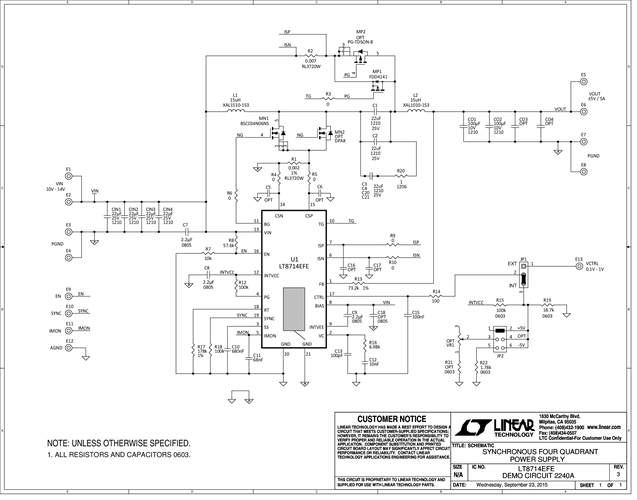
Demonstration circuit 2240A is a synchronous four quadrant converter featuring the LT8714 switching controller. The LT8714 can regulate to positive, negative, or zero volts when configured as a four-quadrant topology. The DC2240A regulates from a 10V to 14V input source to an adjustable output voltage from positive 5V to negative 5V with a 5A maximum current rating.
Applicable Parts
Documentation & Resources
- 
                                                                
                                                                    
                                                                                                                                            DC2240A - Schematic10/30/2015PDF76K
 
- 
                                                                
                                                                    
                                                                                                                                            DC2240A - Demo Manual10/30/2015PDF262K
 
- 
                                                                
                                                                    
                                                                                                                                            DC2240A - Design Files4/21/2016ZIP1M
 
                                                
                                                
                                                
                                                
                                                
                                                




