Overview
Product Details
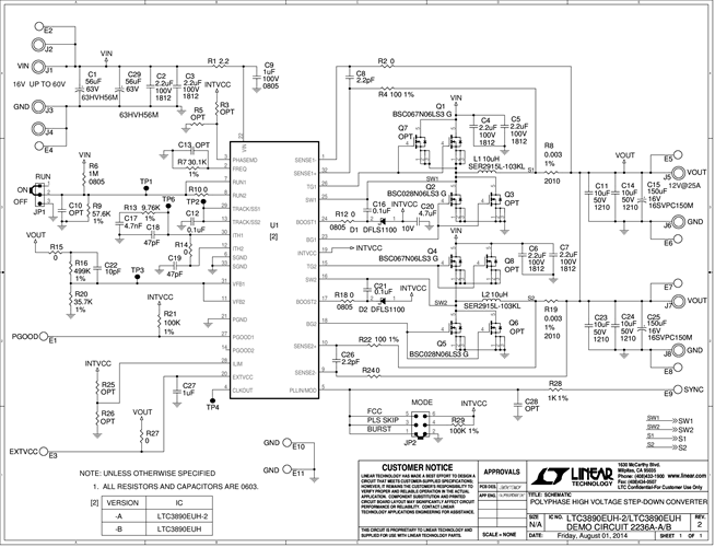
Demonstration circuit 2236A-A is a high output voltage, high efficiency synchronous PolyPhase® buck converter featuring the LTC3890EUH-2. The DC2236A-A has a wide input voltage range of 16V up to 60V, and is capable of delivering up to 25A of output current. The output voltage is set to 12V, however, the output voltage can go as high as 24V, with certain modifications. The DC2236A-A supports three operation modes: Fixed frequency modulation, pulse-skipping and Burst Mode® operation. Fixed frequency mode of operation maximizes the output current, reduces output voltage ripple, and yields a low noise switching spectrum. Burst Mode employs a variable frequency switching algorithm that minimizes the no-load input quiescent current and improves efficiency at light loads.
Applicable Parts
Documentation & Resources
-
DC2236A-A - Schematic9/22/2014PDF49K
-
DC2236A-A - Demo Manual9/22/2014PDF517K
-
DC2236A-A - Design Files9/22/2014ZIP4M





