Overview
Product Details
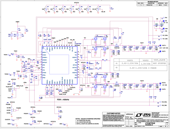
Demonstration circuits 2229A-A and 2229A-B feature the LTC3877 in two high output current, high efficiency, VID programmed step-down converters with sub-mΩ DCR sensing. For both converters, the input voltage range is 6V to 14V and the switching frequency is 400kHz.
Applicable Parts
Documentation & Resources
-
DC2229A-A - Schematic4/11/2016PDF110K
-
DC2229A - Demo Manual8/24/2015PDF1M
-
DC2229A - Design Files4/11/2016ZIP2M
