Overview
Product Details
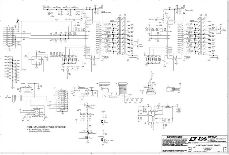
Demonstration circuit DC2218A is a matrix LED dimmer system featuring the LT3965 8-switch matrix LED dimmer IC. There are 16 500mA LEDs that can be individually turned on, off, or PWM dimmed with two 8-switch LED dimmer LT3965 ICs. The two strings of LEDs are driven with two buck LED driver outputs of the LT3797 triple LED controller IC. The third channel of the LT3797 serves as a 30V pre-boost voltage regulator to provide a proper input voltage to the two buck LED driver channels. DC2218A can be driven from a 9V to 30V input and can survive transients up to 36V.
Markets and Technologies
Applicable Parts
Documentation & Resources
-
DC2218A - Schematic12/16/2015PDF117K
-
LT3965 GUI User Manual12/16/2015PDF2M
-
DC2218A - Demo Manual12/16/2015PDF889K
-
DC2218A - Design Files4/21/2016ZIP2M





