Overview
Product Details
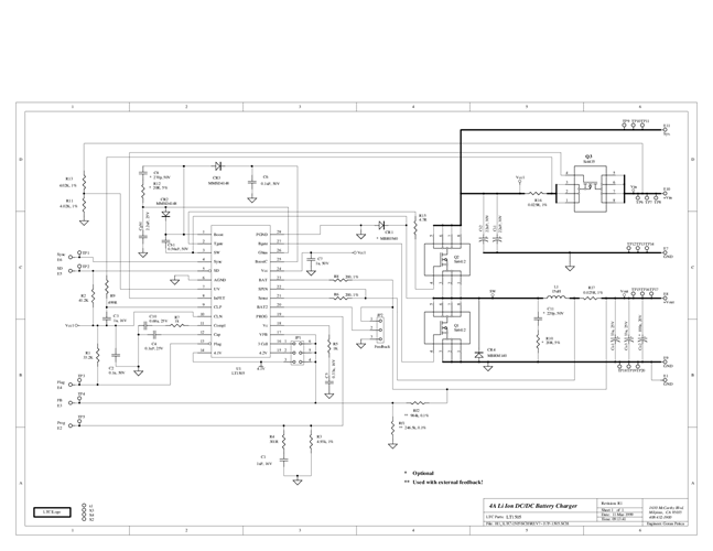
DC219A: Demo Board for the LT1505 Constant-Current/Voltage High Efficiency Battery Charger.
Applicable Parts
Documentation & Resources
-
DC219A - Schematic9/24/2009PDF36K
-
DC219A - Design File9/24/2009ZIP252K
