Overview
Product Details
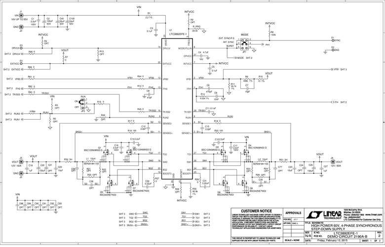
Demonstration circuit 2190A is a high output voltage, high efficiency synchronous PolyPhase® buck converter featuring the LTC3892EFE-1. This demo circuit is available in two versions. The input voltage range of both versions is from 16V to 55V. The DC2190A-A is configured using two each LTC3892EFE-1 devices with 4-phase interleaving operation which provides a 12V/60A output, while the DC2190A-B is configured using one LTC3892EFE-1 device with 2-phase interleaving operation which provides a 12V/30A output.
Applicable Parts
Documentation & Resources
-
DC2190A - Schematic10/2/2015PDF77K
-
DC2190A - Demo Manual5/12/2016PDF740K
-
DC2190A - Design Files10/2/2015ZIP5M




