User Guide
Rev.
B
1
View All
Overview
Product Details
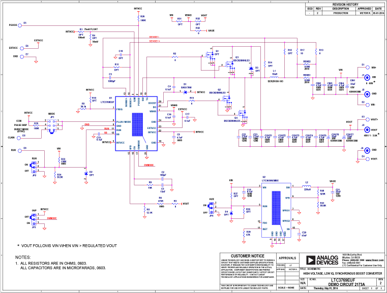
Demonstration circuit DC2173A is a DC/DC synchronous boost converter featuring the LTC3769 constant frequency current mode synchronous boost controller. The DC2173A generates a 48V output voltage and provides 1.5A to 6A of output current.
Applicable Parts
Documentation & Resources
-
DC2173A - Schematic7/28/2014PDF61K
-
DC2173A - Demo Manual (Rev. B)9/12/2014PDF363 K
-
DC2173A - Design Files7/28/2014ZIP1M






