User Guide
                                                                    
                                                                
                                                                            
                                                                                Rev.
                                                                                C
                                                                            
                                                        
                                                        
                                                            
                                                                    1
                                                                    View All
                                                            
                                                        
                                                    Overview
Product Details
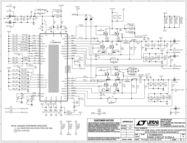
Demonstration circuit 2155A is available in two configurations. The DC2155A-A is a dual output synchronous step-down converter featuring the LTC3886, a dual-phase current mode controller. The DC2155A-B is a single output synchronous step-down converter that operates with four phases: two from the LTC3886 and two from LTC3870, a phase extender. Both versions have a PMBus interface and digital power system management functions.Applicable Parts
Documentation & Resources
- 
                                                                
                                                                    
                                                                                                                                            DC2155A-A - Schematic6/6/2016PDF132K
- 
                                                                
                                                                    
                                                                                                                                            DC2155A - Demo Manual (Rev. C)6/10/2016PDF3M
- 
                                                                
                                                                    
                                                                                                                                            DC2155A-A - Design Files6/6/2016ZIP9M
 
                             
                         
                         
                                                 
                                                 
                                                 
                                                 
                                                



