Overview
Product Details
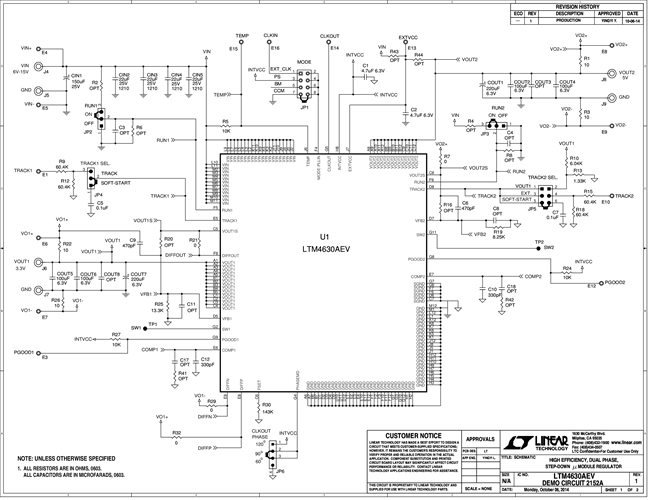
Demonstration circuit 2152A features the LTM4630AEV high efficiency, high density, dual 18A, switch mode step-down µModule regulator. The input voltage is from 6V to 15V, and the output voltages are set at 3.3V and 5V, but are programmable from 0.6V to 5.3V. The DC2152A can deliver up to 18A maximum from each channel. The two outputs can be connected in parallel for a single 36A output solution with optional jumper resistors. ±3% transient accuracy can be achieved with a 25% load step.
Output current derating is necessary for certain VIN, VOUT, and thermal conditions. Its many features and its compact 16mm × 16mm × 4.41mm LGA package make the LTM4630AEV ideal for use in many high-density point-of-load regulation applications.
Applicable Parts
Documentation & Resources
-
DC2152A - Schematic1/16/2017PDF66K
-
DC2152A - Demo Manual1/16/2017PDF1M
-
DC2152A - Design Files1/16/2017ZIP1M
