Overview
Product Details
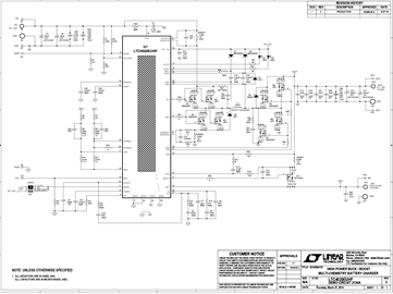
Demonstration circuit 2134A is a high power buck-boost multichemistry battery charger featuring the LTC4020. The board will accept an input voltage between 15V and 55V. The float voltage of the battery output (BAT) is 25.2V, with 6.3A maximum charge current. The converter output (VOUT) has a voltage range of 21V to 28V, with 8A maximum load current. The LTC4020 contains a high efficiency synchronous buck-boost DC/DC controller, and uses a proprietary average current mode architecture.
Documentation & Resources
-
DC2134A - Schematic4/22/2014PDF74K
-
DC2134A - Demo Manual4/22/2014PDF363K
-
DC2134A - Design Files4/22/2014ZIP1M




