Overview
Product Details
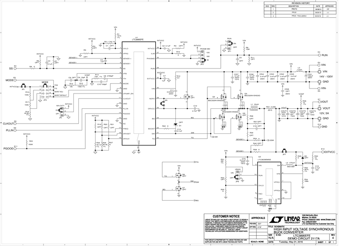
Demonstration circuit 2117A is a single output high voltage nonisolated synchronous step-down converter that drives all N-channel MOSFET power stage. It features the LTC3895EFE, a high voltage step-down DC/DC controller housed in a TSSOP-38 package with several pins removed for high voltage spacing.
Applicable Parts
Documentation & Resources
-
DC2117A - Schematic6/29/2016PDF48K
-
DC2117A - Demo Manual6/29/2016PDF600K
-
DC2117A - Design Files6/29/2016ZIP4M




