Overview
Product Details
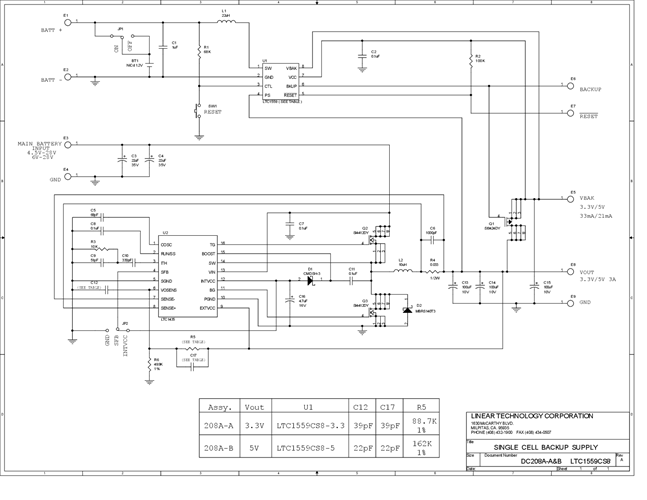
DC208A-A: Demo Board for the LTC1559 Backup Battery Controller with Fixed Output.
Applicable Parts
Documentation & Resources
-
DC208A - Schematic9/24/2009PDF66K
-
DC208A - Design File9/24/2009ZIP529K
