Overview
Product Details
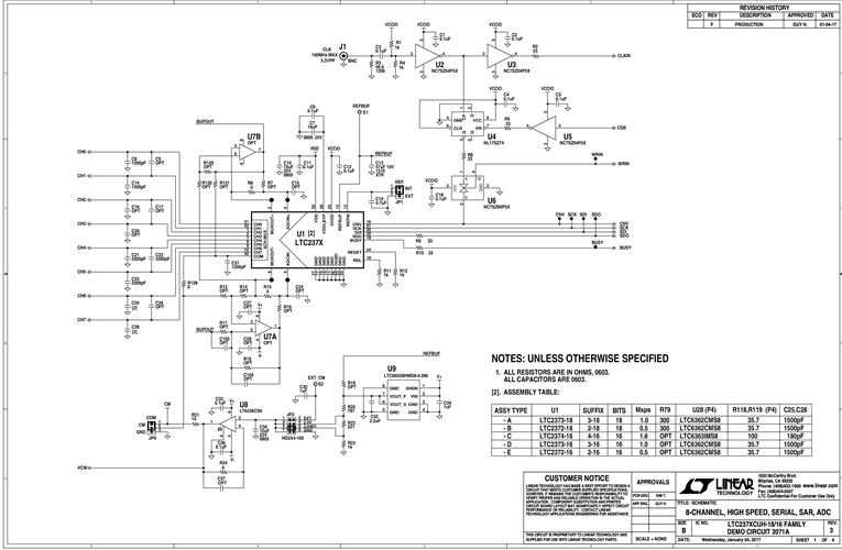
Demonstration circuit 2071A features the LTC2373 family. The LTC2374/LTC2373/LTC2372 are low noise, high speed, 8-channel, 16/18-bit successive approximation register (SAR) ADCs. The demo manual refers to the LTC2373-18 but applies to all parts in the family, the only differences being the number of bits and the maximum sample rate. Operating from a single 5V supply, the LTC2373-18 has a highly configurable, low crosstalk, 8-channel input multiplexer, supporting fully differential, pseudo-differential unipolar and pseudo-differential bipolar analog input ranges.
Applicable Parts
Documentation & Resources
-
DC2071A - Schematic1/16/2017PDF119K
-
DC2071A - Demo Manual1/16/2017PDF1M
-
DC2071A - Design Files1/16/2017ZIP2M
