Overview
Product Details
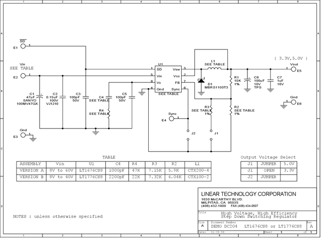
DC204A-B: Demo Board for the LT1776 Wide Input Range, High Efficiency, Step-Down Switching Regulator.
Applicable Parts
Documentation & Resources
-
DC204A - Schematic9/24/2009PDF60K
-
DC204A - Demo Manual9/24/2009PDF335K
-
DC204A - Design File9/24/2009ZIP236K
