Overview
Product Details
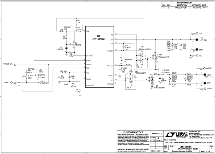
Demonstration circuit DC2008 is DC/DC buck converter featuring the LTC1625 constant frequency current mode buck controller. The DC2008A operates over a 4.5V to 28V input and provides 15A of output current as shown in Figure 3. The 225kHz constant frequency operation results in a small and efficient circuit. The converter provides high output voltage accuracy (typically ±3%) over a wide load range with no minimum load requirement. The demonstration circuit can be easily modified to generate different output voltages.
Applicable Parts
Documentation & Resources
-
DC2008A - Schematic7/30/2014PDF51K
-
DC2008A - Demo Manual7/30/2014PDF216K
-
DC2008A - Design Files7/30/2014ZIP1M
