Overview
Product Details
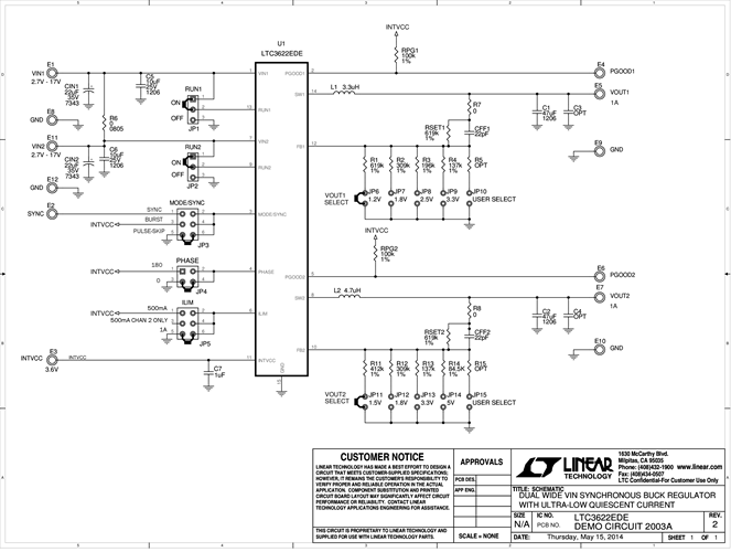
Demonstration circuit 2003A is a synchronous step-down regulator using the power-saving LTC3622EDE monolithic buck regulator in a compact 14-pin DFN (4mm × 3mm) package. The DC2003A operates from an input voltage range of 2.7V to 17V and provides dual 1A outputs with an adjustable output voltage range from 1.2V to 5V. The LTC3622 IC quiescent current can be as low as 5μA in Burst Mode® operation with both channels enabled and less than 0.1μA in shutdown mode. The switching frequency is fixed to 1MHz or 2.25MHz with a ±50% synchronization range to an external clock. A user-selectable mode input is provided to allow the user to trade off ripple noise for light load efficiency.
Markets and Technologies
Applicable Parts
Documentation & Resources
-
DC2003A - Schematic7/14/2014PDF41K
-
DC2003A -Demo Manual7/14/2014PDF676K
-
DC2003A - Design Files7/14/2014ZIP2M



