Overview
Product Details
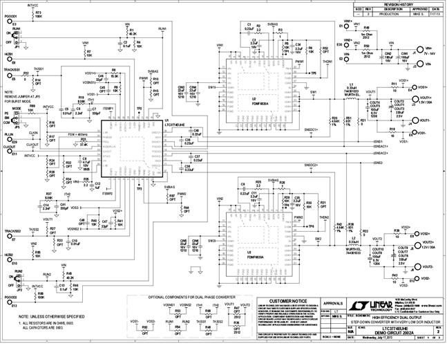
Demonstration circuit DC2002A is a dual output synchronous buck converter featuring the LTC3774EUHE. The demo board supplies two rails of 1.5V / 30A and 1.2V / 30A. The power stage for each rail consists of a 0.33μH 0.32mΩ DCR inductor with a 11mm × 11mm footprint and a 6mm × 6mm DrMOS driven by the PWM outputs of the LTC3774EUHE at a switching frequency of 400kHz.
Applicable Parts
Documentation & Resources
- 
                                                                
                                                                    
                                                                                                                                            DC2002A - Schematic10/29/2013PDF151K
- 
                                                                
                                                                    
                                                                                                                                            DC2002A - Demo Manual10/29/2013PDF2M
- 
                                                                
                                                                    
                                                                                                                                            DC2002A - Design Files10/29/2013ZIP2M
 
                             
                         
                         
                                                