Overview
Product Details
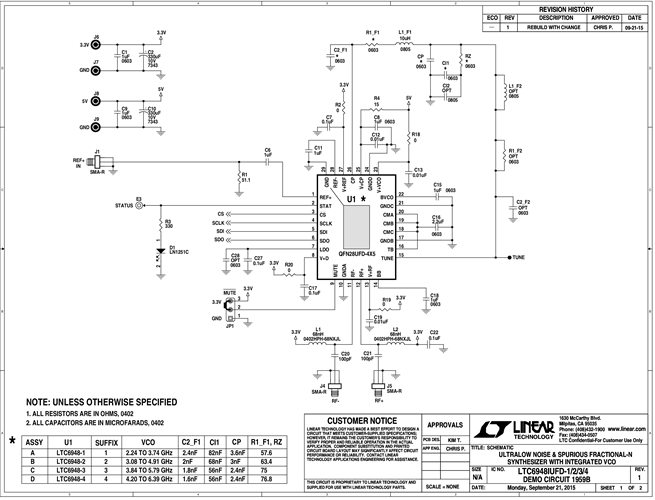
Demonstration circuit 1959B features the LTC6948, an Ultralow Noise and Spurious Fractional-N Synthesizer with Integrated VCO.
Applicable Parts
Documentation & Resources
-
DC1959B - Schematic12/7/2015PDF54K
-
DC1959B - Demo Manual12/7/2015PDF907K
-
DC1959B - Design Files4/21/2016ZIP1M

