Overview
Product Details
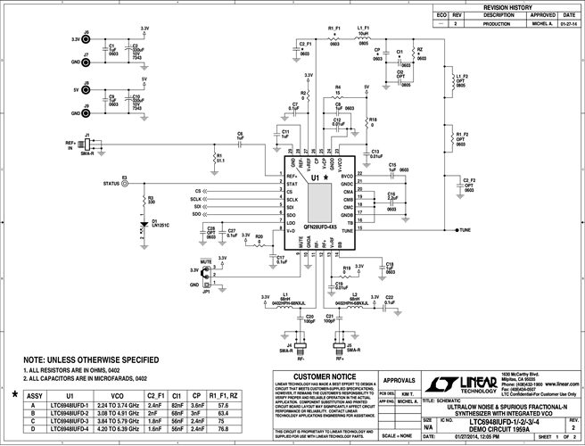
Demonstration circuit 1959A features the LTC6948, an Ultralow Noise and Spurious Fractional-N Synthesizer with Integrated VCO. There are four options of the DC1959A, one for each version of the LTC6948. Table 1 summarizes the available DC1959A options.
Applicable Parts
Documentation & Resources
-
DC1959A - Schematic6/18/2014PDF57K
-
DC1959A - Demo Manual6/18/2014PDF811K
-
DC1959A - Design Files6/18/2014ZIP1M




