Overview
Product Details
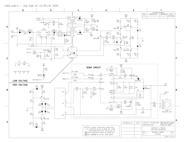
DC192A: Demo Board for the LT1684 Micropower Ring Tone Generator.
Applicable Parts
Documentation & Resources
- 
                                                                
                                                                    
                                                                                                                                            DC192A - Schematic9/24/2009PDF371K
 
- 
                                                                
                                                                    
                                                                                                                                            DC192A - Demo Manual9/24/2009PDF78K
 
- 
                                                                
                                                                    
                                                                                                                                            DC192A - Design File9/24/2009ZIP1M
 
                                                