Overview
Product Details
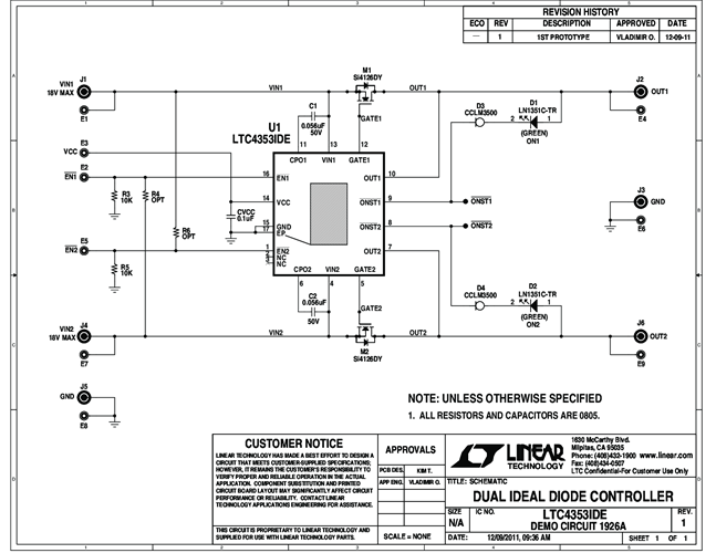
DC1926A: Demo Board for the LTC4353 Dual Low Voltage Ideal Diode Controller.
Applicable Parts
Documentation & Resources
-
DC1926A - Schematic10/23/2012PDF35K
-
DC1926A - Demo Manual8/24/2012PDF125K
-
DC1926A - Design Files10/23/2012ZIP695K




