User Guide
Rev.
A
1
View All
Overview
Product Details
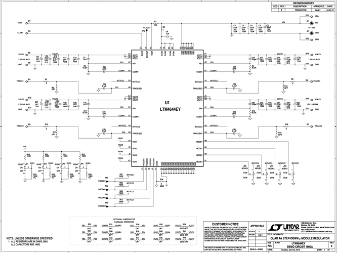
Demonstration circuit 1900A features the LTM4644EY μModule® regulator, a high-performance high-efficiency quad output step-down regulator. The LTM4644EY has an operating input voltage range of 4V to 14V and is able to provide up to 4A of output current from each of its phases. Each output’s voltage is programmable from 0.6V to 5.5V. The LTM4644EY is a DC/DC point of load regulator in a 9mm × 15mm × 5.01mm BGA package requiring only a few input and output capacitors.
Markets and Technologies
Applicable Parts
Documentation & Resources
-
DC1900A - Schematic1/6/2014PDF65K
-
DC1900A - Demo Manual (Rev. A)9/4/2024PDF1 M
-
DC1900A - Design File1/6/2014ZIP1M




