Overview
Product Details
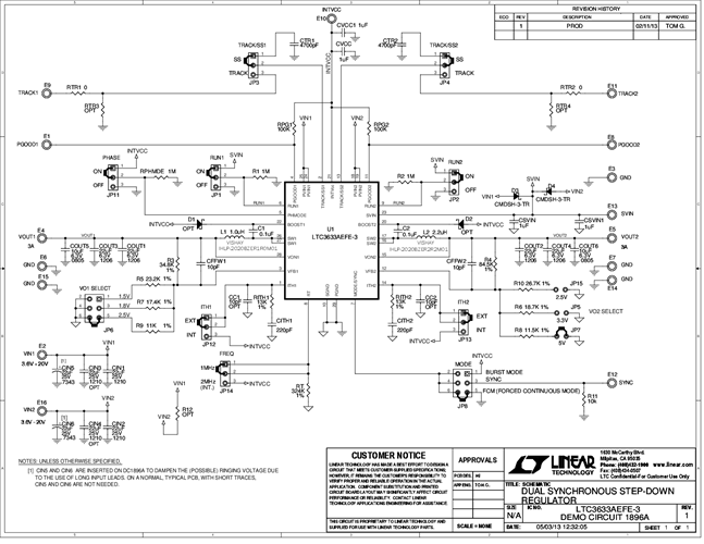
Demonstration circuit DC1896 is a dual output regulator consisting of two constant-frequency step-down converters, based on the LTC3633A-3 monolithic dual channel synchronous buck regulator. The DC1896 has an input voltage range of 3.6V to 20V, with each regulator capable of delivering up to 3A of output current. The DC1896 can operate in either Burst ModeÔ or forced continuous mode. In shutdown, the DC1896 can run off of less than 15 uA total. The DC1896 is a very efficient circuit: up to 90%.
Applicable Parts
Documentation & Resources
-
DC1896A - Schematic6/11/2013PDF76K
-
DC1896A - Demo Manual6/11/2013PDF537K
-
DC1896A - Design Files6/11/2013ZIP3M
