Overview
Product Details
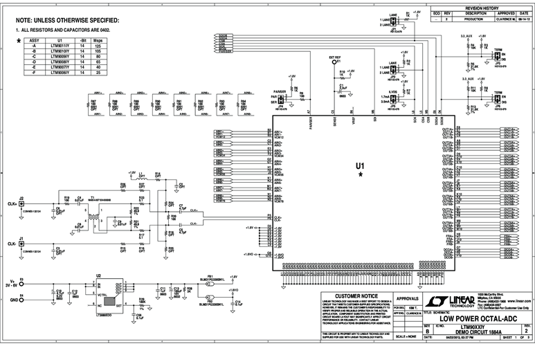
DC1884A-D: Demo Board for the LTM9008-14 14-Bit, 65Msps Low Power Octal ADCs.
Applicable Parts
Documentation & Resources
-
DC1884A - Schematic4/23/2013PDF106K
-
DC1884A - Demo Manual1/18/2017PDF531K
-
DC1884A - Design Files4/23/2013ZIP3M
