Overview
Product Details
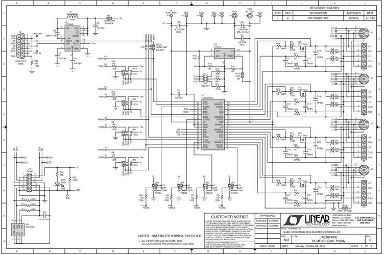
Demonstration circuit 1880A showcases the LTC2874, a quad Hot Swap™ controller and PHY suitable for IO-Link® master and other applications. DC1880A operates from an external supply VDD and utilizes the DC590 USB serial controller board to communicate with the LTC2874 using SPI protocol.
Applicable Parts
Documentation & Resources
-
DC1880A - Schematic12/9/2013PDF37K
-
DC1880A - Demo Manual12/9/2013PDF493K
-
DC1880A - Design Files12/9/2013ZIP1M
-
Rugged IO-Link Solutions10/1/2014 LT Journal




