Overview
Product Details
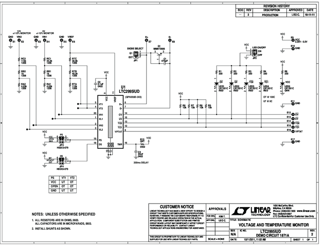
DC1871A: Demo Board for the LTC2995 Temperature Sensor and Dual Voltage Monitor with Alert Outputs.
Markets and Technologies
Applicable Parts
Documentation & Resources
-
DC1871A - Schematic7/24/2012PDF37K
-
DC1871A - Demo Manual7/19/2012PDF123K
-
DC1871A - Design Files7/24/2012ZIP762K
