Overview
Product Details
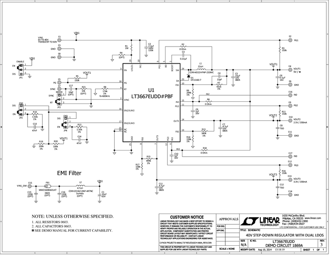
Demonstration circuit 1869A is a triple power supply including one 400mA step-down regulator and two 200mA low dropout linear regulators (LDOs) featuring the LT3667. The demo circuit is designed for 5.0V, 3.3V and 2.5V outputs from a 6V to 40V input. Two LDO outputs are configured as post-regulators of the switching regulator output. The total current capability of three output channels is up to 400mA in this configuration, while the two LDO regulators are capable of 200mA each.
Applicable Parts
Documentation & Resources
-
DC1869A - Schematic9/8/2014PDF82K
-
DC1869A - Demo Manual9/8/2014PDF290K
-
DC1869A - Design Files9/8/2014ZIP2M
