Overview
Product Details
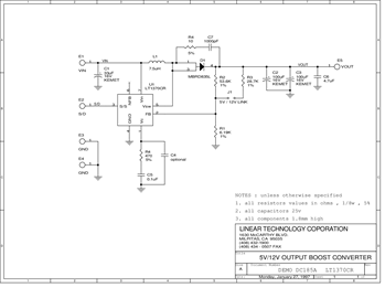
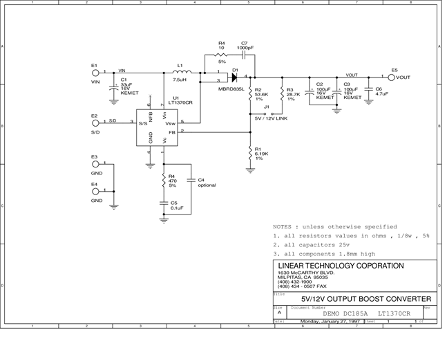
DC185A: Demo Board for the LT1370 500kHz High Efficiency 6A Switching Regulator.
Applicable Parts
Documentation & Resources
-
DC185A - Schematic9/24/2009PDF18K
-
DC185A - Demo Manual9/24/2009PDF290K
-
DC185A - Design File9/24/2009ZIP381K
