Overview
Product Details
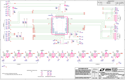
DC1851A: Demo Board for the LTC2872 RS232/RS485 Dual Multiprotocol Transceiver with Integrated Termination.
Applicable Parts
Documentation & Resources
-
DC1851A - Schematic12/4/2012PDF68K
-
DC1851A - Demo Manual12/4/2012PDF544K
-
DC1851A - Design Files12/4/2012ZIP4M




