Overview
Product Details
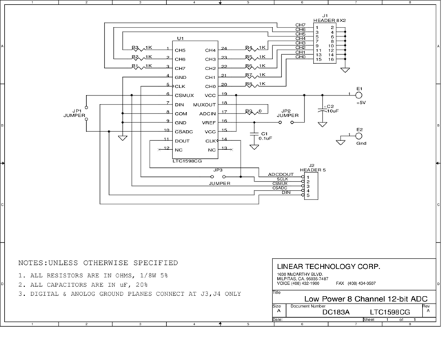
DC183A: Demo Board for the LTC1598 8-Channel, Micropower Sampling 12-Bit Serial I/O A/D Converter.
Applicable Parts
Documentation & Resources
-
DC183A - Schematic5/9/2012PDF18K
-
DC183A - Design Files8/16/2011ZIP220K
