Overview
Product Details
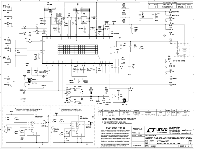
DC1830A-B: Demo Board for the LTC4000 High Voltage High Current Controller for Battery Charging and Power Management.
Applicable Parts
Documentation & Resources
-
DC1830A - Schematic7/26/2012PDF99K
-
DC1830A - Demo Manual7/26/2012PDF1M
-
DC1830A - Design Files7/26/2012ZIP1M
