Overview
Product Details
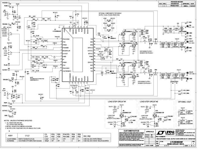
Demonstration circuit 1801A is a dual output 1.5V/20A and 1.2V/20A synchronous buck converter operating with a switching frequency of 300kHz over an input voltage range of 4.5V to 14V. The demo board comes in two versions. The A version uses inductor DCR current sensing for high efficiency. The B version uses 2mΩ sense resistor for accurate current sensing with a low DCR ferrite inductor. The fixed on-time valley current mode topology of the LTC3838 allows for a fast load step response.
Applicable Parts
Documentation & Resources
-
DC1801A - Schematic2/15/2012PDF86K
-
DC1801A - Demo Manual2/15/2012PDF371K
-
DC1801A - Design Files2/15/2012ZIP1M
