Overview
Product Details
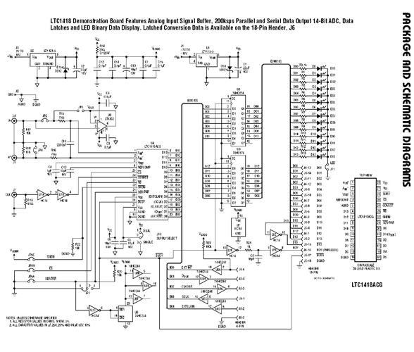
DC178A: Demo Board for the LTC1418 Low Power, 14-Bit, 200ksps ADC with Serial and Parallel I/O.
Applicable Parts
Documentation & Resources
-
DC1748A - Schematic5/10/2012PDF264K
-
DC178A - Demo Manual5/10/2012PDF550K
-
DC178A - Design File9/24/2009ZIP527K
