Overview
Product Details
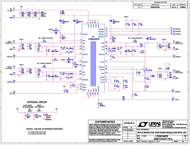
Demo circuit 1781A is a Triple Monolithic Step-Down Regulator with LDO featuring the LT3507A. The demo circuit is designed for 1.8V, 3.3V, 5.0V and 2.5V outputs from a 7V to 36V input. The current capability of each channel is 2.7A, 1.5A, 1.8A and 0.3A respectively. Independent input voltage, feedback, soft-start and power good pins for each channel simplify complex power supply tracking/sequencing requirements.
All three converters are either synchronized to a common external clock input or single-resistor programmable from 250kHz to 2.5MHz using internal oscillator. At all frequencies, a 180° phase shift between VOUT1 and the other two outputs is maintained, reducing input voltage ripple and component size. Programmable frequency allows for optimization between efficiency and external component size.
Applicable Parts
Documentation & Resources
-
DC1781A - Schematic3/28/2012PDF62K
-
DC1781A - Demo Manual9/26/2011PDF378K
-
DC1781A - Design Files9/26/2011ZIP854K
