Overview
Product Details
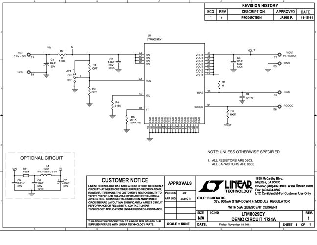
DC1724A is a μModule® step-down converter, featuring the LTM8029, which consumes only 5μA of quiescent current. The demo circuit is designed for a 5V, 600mA output at an operating frequency of 600kHz. The input voltage range is from 5.6V to 36V.
If the input voltage decreases towards the programmed output voltage, the LT3973 will start to skip switch-off times and decrease the switching frequency to maintain output regulation up to a maximum duty cycle of approximately 97.5%.
Applicable Parts
Documentation & Resources
-
DC1724A - Schematic3/28/2012PDF43K
-
DC1724A - Demo Manual6/6/2012PDF227K
-
DC1724A - Design Files3/28/2012ZIP739K




