Documentation & Resources
-
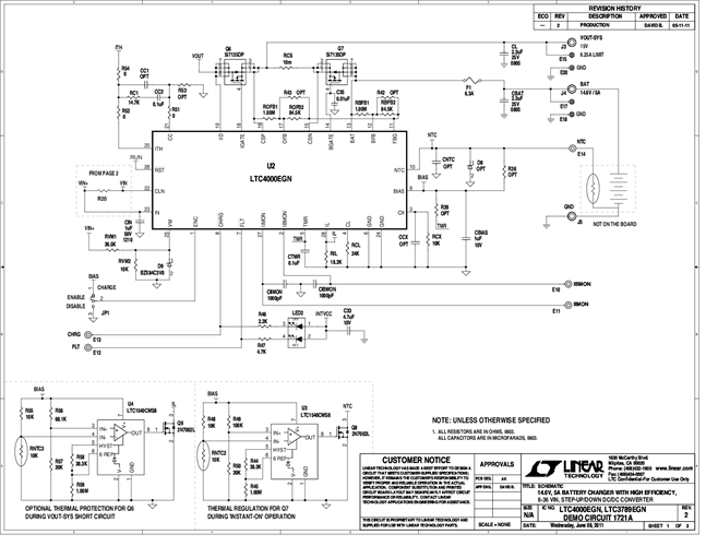
DC1721A - Schematic3/28/2012PDF114K
-
DC1721A-A - Demo Manual6/21/2011PDF210K
-
DC1721A-A - Design Files6/21/2011ZIP1M
