Overview
Product Details
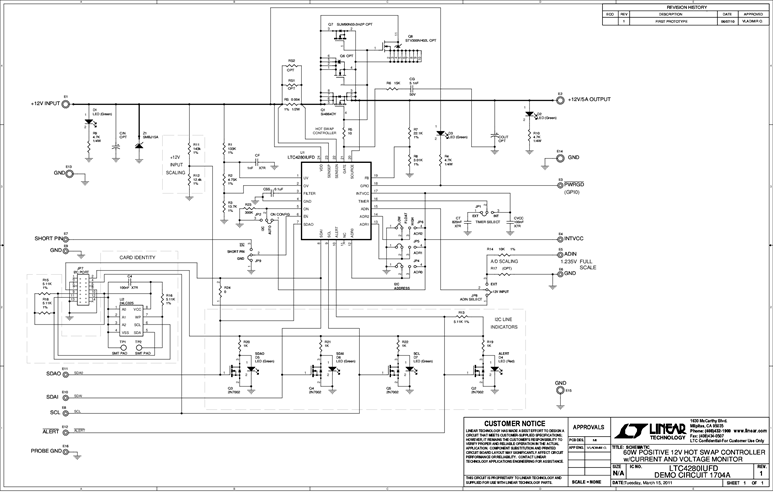
DC1704A: Demo Board for the LTC4280 Hot Swap Controller with I2C Compatible Monitoring.
Applicable Parts
Documentation & Resources
-
DC1704A - Schematic3/28/2012PDF69K
-
DC1704A - Demo Manual5/16/2011PDF375K
-
DC1704A - Design Files5/16/2011ZIP3M
