Overview
Product Details
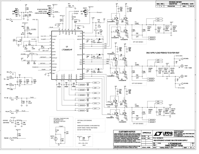
Demonstration circuit 1675A is a high efficiency, 6-phase, synchronous buck converter with a 7V to 14V input range that utilizes two LTC3829 controllers. It can supply 120A maximum load current with a 1.5V output voltage. The LTC3829 is a feature-rich single-output 3-phase synchronous buck controller with on-chip drivers and remote output voltage sensing.
Applicable Parts
Documentation & Resources
-
DC1675 - Schematic3/6/2012PDF191K
-
DC1675A - Demo Manual3/30/2011PDF1M
-
DC1675A - Design Files3/30/2011ZIP2M




