Overview
Product Details
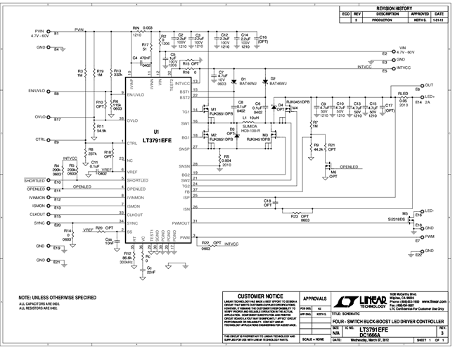
Demonstration circuit DC1666A is a synchronous four-switch buck-boost LED driver controller. It accepts an input voltage from 4.7V to 60V, and drives up to 25V of LEDs at 2A. DC1666A features both PWM and analog dimming of the LED string. It has an OPENLED flag that indicates when the LED string has been removed and it has a SHORTLED flag that indicates that the output has been shorted to GND. In both cases, the IC remains in control and well protected.
Applicable Parts
Documentation & Resources
-
DC1666A - Schematic4/3/2012PDF56K
-
DC1666A - Demo Manual4/2/2012PDF305K
-
DC1666A - Design Files4/3/2012ZIP836K




