Overview
Product Details
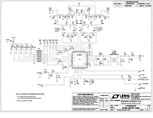
DC1662A: Demo Board for the LTC5585 Wideband IQ Demodulator with IIP2 and DC Offset Control.
Applicable Parts
Documentation & Resources
- 
                                                                
                                                                    
                                                                                                                                            DC1662A - Schematic2/23/2012PDF61K
- 
                                                                
                                                                    
                                                                                                                                            DC1662A - Demo Manual2/23/2012PDF832K
- 
                                                                
                                                                    
                                                                                                                                            DC1662A - Design Files2/23/2012ZIP1M
 
                             
                         
                         
                                                 
                                                 
                                                 
                                                 
                                                



