Overview
Product Details
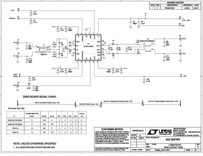
DC1660B: Demo Board for the LTC6417 1.6GHz Low Noise High Linearity Differential Buffer/16-Bit ADC Driver with Fast Clamp.
Applicable Parts
Documentation & Resources
- 
                                                                
                                                                    
                                                                                                                                            DC1660B - Schematic8/27/2012PDF32K
 
- 
                                                                
                                                                    
                                                                                                                                            DC1660B - Demo Manual5/30/2012PDF193K
 
- 
                                                                
                                                                    
                                                                                                                                            DC1660B - Design Files8/27/2012ZIP711K
 
                                                