Overview
Product Details
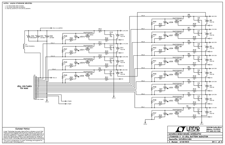
DC1652A: Demo Board for LTC6803-2 and -4 Multicell Battery Stack Monitor.
Applicable Parts
Documentation & Resources
-
DC1652A - Schematic12/15/2011PDF117K
-
DC1652A - Demo Manual10/31/2012PDF0M
-
DC1652A - Design Files7/27/2011ZIP1M




