Overview
Product Details
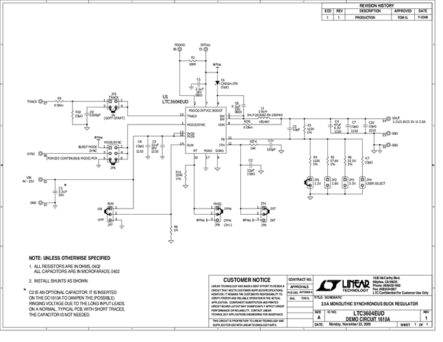
Demonstration circuit 1610 is a step-down converter, using the LTC3604 monolithic synchronous buck regulator in the 3 × 3 QFN-16 package. The DC1610A has a maximum input voltage 15V, and is capable of delivering up to 2.5A of output current at a minimum input voltage of 3.6V. The output voltage of the DC1610A can be set as low as 0.6V, the reference voltage of the LTC3604.
Applicable Parts
Documentation & Resources
-
DC1610A - Schematic3/28/2012PDF47K
-
DC1610A - Demo Board3/12/2010PDF935K
-
DC1610A - Design Files3/12/2010ZIP829K
