Overview
Product Details
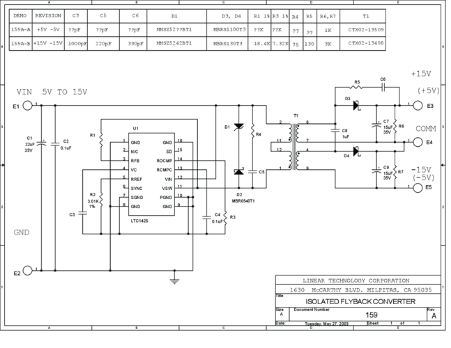
DC159A-A: Demo Board for the LT1425 Isolated Flyback Switching Regulators.
Applicable Parts
Documentation & Resources
- 
                                                                
                                                                    
                                                                                                                                            DC159A - Schematic9/24/2009PDF78K
- 
                                                                
                                                                    
                                                                                                                                            DC159A - Design File9/24/2009ZIP77K
 
                             
                         
                         
                                                