Overview
Product Details
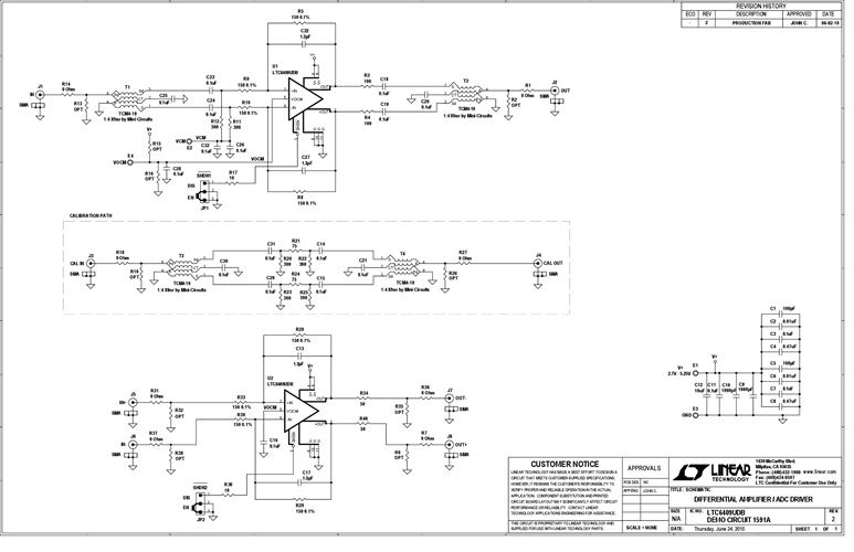
DC1591A: Demo Board for the LTC6409 10GHz GBW, 1.1nV/√Hz Differential Amplifier/ADC Driver.
Applicable Parts
Documentation & Resources
-
DC1591A - Schematic3/28/2012PDF77K
-
DC1591A - Demo Manual11/30/2015PDF314K
-
DC1591A - Design Files8/30/2011ZIP1M




