Overview
Product Details
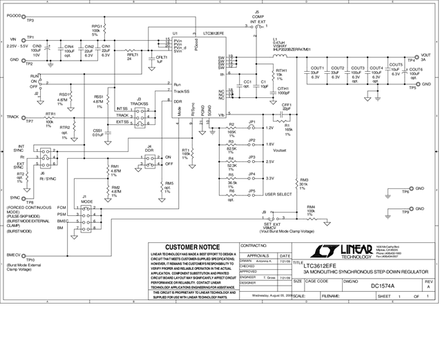
Demo Circuit 1574 is a high efficiency, high frequency step-down converter, incorporating the LTC3612 monolithic synchronous regulator. The DC1574A has an input voltage range of 2.25V to 5.5V, and is capable of delivering up to 3A of output current. The output voltage of the DC1574A can be set as low as 0.6V, the reference voltage of the LTC3612. The operating frequency range of the DC1574A is either set to a fixed 2.25 MHz by connecting the frequency pin to SVIN, set by an external resistor, or synchronized to an external clock, with a range up to 4 MHz. At low load currents, the DC1574A can operate in either noise sensitive applications, due to the capability of the LTC3612 to operate in pulse-skipping mode, or in high efficiency applications, because the LTC3612 also has Burst-Mode capability. The Burst Mode clamp can be set externally.
Applicable Parts
Documentation & Resources
-
DC1574A - Schematic5/3/2012PDF33K
-
DC1574A - Demo Manual2/24/2017PDF266K
-
DC1574A - Design Files10/22/2009ZIP857K
