Overview
Product Details
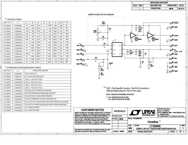
Demonstration circuit 1562B is an engineering tool to design and evaluate the LTC699X-X family of TimerBlox® circuits. The center section of the board contains a preconfigured TimerBlox function. DC1562B comes in twelve timing function variations as outlined in Table 1.
Applicable Parts
Documentation & Resources
-
DC1562B - Schematic8/22/2013PDF50K
-
DC1562B - Demo Manual8/22/2013PDF392K
-
DC1562B - Design Files8/22/2013ZIP899K





