Overview
Product Details
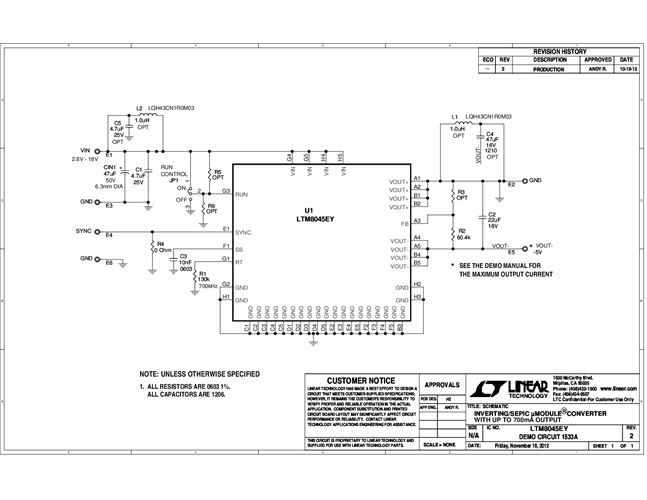
Demo circuit DC1533A features the LTM8045, an inverting/SEPIC μModule converter delivering up to 700mA of output current. DC1533A is configured as an inverting converter, but can be easily changed to a SEPIC configuration for non-inverting step-up or step-down functionality. The user adjustable features of the LTM8045 such as output voltage, switching frequency, soft-start period and undervoltage lockout can be changed on DC1533A simply by modifying or installing the appropriate resistors or capacitor.
Markets and Technologies
Applicable Parts
Documentation & Resources
-
DC1533A - Schematic2/5/2013PDF45K
-
DC1533A - Demo Manual2/5/2013PDF234K
-
DC1533A - Design Files2/5/2013ZIP671K




