Overview
Product Details
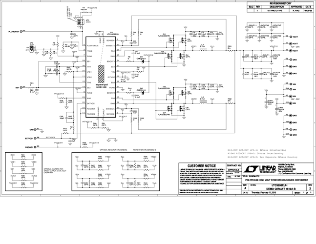
Demonstration circuit 1510A is a high output voltage, high efficiency synchronous poly-phase buck converter featuring the LTC3858EUH. The demo circuit is available in two versions. The input voltage of both versions is 16V to 26V. DC1510A-A is configured using 2 LTC3858's with 4 phase interleaving operation which provides a 12V/50A output, while the DC1510A-B is configured with 1 LTC3858 with 2 phase inter-leaving operation which provides a 12V/25A output.
Applicable Parts
Documentation & Resources
-
DC1510A-B - Schematic8/26/2010PDF110K
-
DC1510A - Demo Manual8/26/2010PDF1M
-
DC1510A - Design Files8/26/2010ZIP1M
