Overview
Product Details
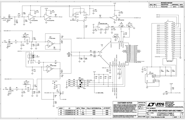
DC1501A-C: Demo Board for the LT1807 325MHz, Dual, Rail-to-Rail Input and Output, Low Distortion, Low Noise Precision Op Amps and for LTC2391-16 16-Bit, 250ksps SAR ADC with 94dB SNR.
Applicable Parts
Documentation & Resources
-
DC1501A - Schematic4/15/2010PDF99K
-
DC1501A - Demo Board4/22/2010PDF720K
-
DC1501A - Design Files4/15/2010ZIP1M
